


























Instant Processing
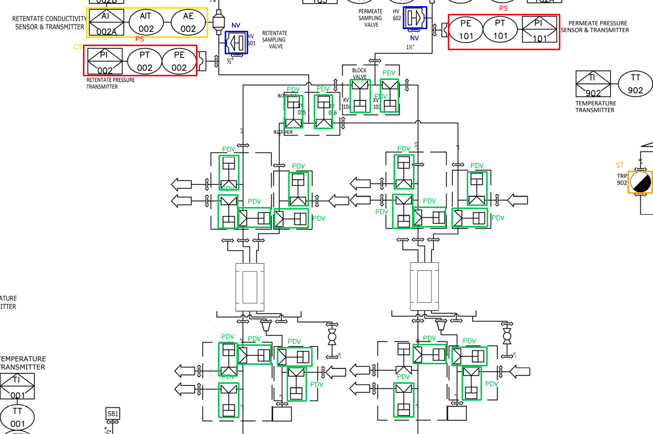
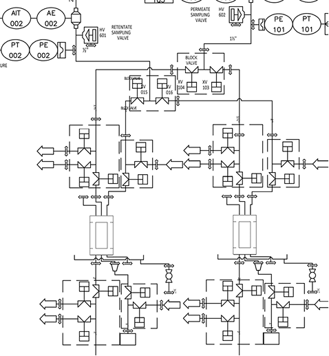
Analyze complex P&IDs in seconds, not hours
Save 40+ Hours
Per project compared to manual BOM extraction
99.2% Accuracy
Industry-leading symbol detection precision
Powered by
We build for the CAD your team already uses
Connected to your Engineering Stack
SAP / Oracle ERP
PDM/PLA
FEA Tools
Custom Integrations





100% Private Infrastructure
Our platform is designed following ITAR, GDPR, HIPAA, and SOC security principles to support enterprise-level compliance requirements.







Free
Get started at no cost
$0/mo
Start exploring how AI can enhance your engineering design workflow. Perfect for students or first-time users.
Features
Limited access to AI chat
Limited file uploads
Limited P&ID module access
Limited web search results
Enterprise
Tailored for teams of any size
Custom
For power users and organizations requiring maximum usage and enhanced capabilities.
Included Features
AI chat assistant with maximum usage
File uploads with maximum usage
Unlimited P&ID module usage
Enhanced web search & reference capabilities
Access to design knowledge libraries
Regular automatic updates
CADVISOR team support
Deployment Options
Cloud-Based: Fully hosted by CADVISOR
On-Premise: Deployed on your servers
























